An LDO regulator, or low-dropout regulator, is a DC linear voltage regulator that operates even when the voltage supply is extremely close to the output voltage. The main advantages of this regulator over DC-DC converters include smaller size, lower noise, and simpler design. This linear regulator operates efficiently even when the input and output voltages differ by a small margin. This linear regulator operates at a low potential difference between the I/O voltage. This regulator IC outputs a stable voltage, which is used in different electronic devices to help control the build-up of heat and allows efficient energy use. This article discusses an overview of one of the types of LDO regulators, like the LM2940 IC, pinout, specifications, and its applications.
What is the LM2940 IC?
The LM2940 IC is a linear voltage regulator, available in SOT-223-3L and TO-220-3L packages, that provides 1A continuous output current. Its dropout voltage typically ranges from 0.5V to 1V. This IC has a 30 mA quiescent current whenever the I/O differential voltage is 5V & the o/p current is 1A. THE LM2940 IC has protection against thermal overload, reverse battery installations, and short circuits. So this IC can also have a circuit that shuts down the IC in line transients. This IC is available with a 3.3V (or) 5.0V fixed output voltage.
Additionally, this voltage regulator has a significant variation between the input & the output voltages of the IC, which is produced as heat. If the difference between these voltages is high, then more heat can be generated. If the voltage regulator does not have a heat sink to dissipate this heat, then it can be destroyed easily. Therefore, it is required to restrict the voltage to 2-3 volts maximum above the o/p voltage.
Power Dissipation: Power dissipated = (Vin – Vout) x Iout
LM2940 IC Working
The LM2940 voltage regulator IC works by maintaining a stable output voltage even with changes in the input voltage or load conditions. Thus, this IC has protection features like; thermal overload, reverse battery installation protection & short circuits. It shuts down automatically during line transients to guard the internal circuits & the load.
LM2940 IC Pin Configuration:
The pin configuration of the LM2940 IC is shown below. This IC includes three pins, which are discussed below.

LM2940 IC Pin Configuration
- Pin1 (Input): The input pin of this IC allows the incoming DC voltage. This is a positive unregulated voltage pin which is given within the regulation.
- Pin2 (GND): It is a ground pin of the voltage regulator IC. This is a neutral pin evenly for the input & output.
- Pin3 (Out): This is an output pin of the IC that provides the regulated o/p voltage.
Features & Specifications:
The features and specifications of LM2940 IC include the following.
- LM2940 IC is a voltage regulator.
- It includes three terminals.
- It is available in SOT-223-3L & TO-220-3L packages.
- The mounting style is through the hole.
- Its packaging type is Tube
- Its guaranteed o/p current is 1Amps.
- Its typical operating voltage ranges from 6V to 26 volts.
- The low dropout voltage is 400mV.
- Its accurate guaranteed tolerance is 1%.
- Its ground current is low.
- Its transient response is fast.
- This IC has reverse battery protection and over-current or over-temperature protection.
- Its input voltage supply ranges from 6 to 26V.
- Its maximum o/p current is 1Amps.
- Line regulation is ±2%
- Its load regulation ranges from 0.2 to 1%.
- Its operating temperature ranges from -40°C to 125°C.
Equivalent & Alternatives:
The equivalent LM2940 ICs are LM7805 and L78L05. Therefore, its alternative LM2940 ICs are; MIC5205, AP2112, RT9193 and BA3258HFP.
12Volts RPS with LM2940 IC
A 12Volts RPS (regulated power supply) is an essential component in any DC supply unit utilized in electronic equipment. Therefore, it works as an interface between a common power electronic equipment and a wall outlet. Here, we are designing a simple 12Volts RPS circuit with an LM2940 voltage regulator IC.
The LM2940 voltage regulator IC can source 1Amps of output current through a 0.5Volts dropout voltage & 1V maximum voltage over the whole temperature range. In addition, this IC includes a quiescent current reduction circuit that decreases the ground current whenever the differential between the I/O voltages exceeds approximately 3 volts.
The required components to make this circuit mainly include; a breadboard, LM2940 voltage regulator IC, 230V to 12V/1A step-down transformer, 1N4007 bridge rectifier, 100nF Ceramic capacitor, 1000μF/50V, and 33μF electrolytic capacitors. The following circuit diagram shows how the LM2940 is used to generate a stable 12V DC output.

12Volts RPS with LM2940 IC
Working
The working of regulated power supply is; whenever 230V/110V input voltage is provided at the primary winding of a non-CT transformer then it steps down to 12Volts 1A through mutual induction of both windings while maintaining the 50Hz frequency. After that, the 12Volts AC signal goes through a bridge rectifier which changes the signal from AC to a rippling DC. After that, the rectifier converts AC to pulsating DC, capacitors smooth the ripple and the LM2940 ensures a steady 12V DC output with low dropout. This DC signal is then supplied through a C3 capacitor to eliminate any residual noise before passing into the output.
Therefore, this 12Volts RPS with LM2940 IC is used in different applications like applying a changeable voltage to motors. It can also be applicable in troubleshooting and testing mini-electronic projects.
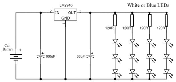
LED Car Doom Light Circuit with LM2940 IC
The doom light or interior light is the light in the car that glows up whenever the car door is opened. It is a dome-shaped cabin light including a cover that is connected with the top of a vehicle ceiling. Therefore, this light looks like a security feature in a vehicle but it fits generally as standard.
This car doom light informs the inside cabin of the car to check & helps to fix your security belt at dim and find out anything you may have dropped. Additionally this doom light illuminates & specifies your doors or entryways are opened and also informs you whenever your doors aren’t closed properly.
Therefore, this car doom light circuit is used in any car that uses a 12Volts battery. Thus, this circuit utilizes 12 LEDs along with a set of resistors & capacitors. In addition, the whole circuit can be controlled by using an LM2940 IC to handle the LED brightness despite engine activity.

LED Car Doom Light Circuit with LM2940 IC
Components
The required components to make this circuit mainly include the LM2940 voltage regulator IC, 100µF, and 33µF.electrolytic capacitors, 12V battery, 120R resistor and 12 LEDs. Here, we describe how filtering and regulation stages interact.
Working
The LM2940 IC is a core of the circuit, which is a 12V positive voltage regulator chip. Tus, this IC can supply 1Amps of output current with ordinarily 0.5V dropout voltage and 1V limit above the entire temperature.
This battery-saver circuit uses twelve 25mA blue or white LEDs. When the battery voltage for the car increases to 14Volts the vehicle’s engine runs. Similarly, the battery voltage decreases to 6V whenever the engine doesn’t run, so it makes the LEDs in the circuit turn extra bright whenever the car engine runs and gets reduced whenever the engine is turned off.
Here, the LM2940 voltage regulator IC is used in this circuit to dispose of this problem. Moreover, this IC provides stable and exact 12 volts to the light emitting diodes within the bot operations due to which the LEDs won’t turn into extra splendid (or) reduce with the operation of the engine.
Dome light circuits inform driver & passenger compartments to control windows & sunroofs as emergency call buttons. Moreover, this circuit can also show whether your car’s doors or entryways are closed or not appropriately.
Difference between LM2940 IC and LM7805 IC
The LM2940 IC and LM7805 IC are voltage regulators, however, they differ in a few factors which are discussed below.
LM2940 IC |
LM7805 IC |
LM2940 IC is a low-dropout voltage regulator. | LM7805 is a voltage regulator IC. |
This voltage regulator can source up to 1Amps of o/p current. | This IC regulates voltage to a stable +5 volts output. |
Its dropout voltage typically ranges from 0.5 V to 1 V. | This ICs drop out voltage is 1.6V without load. |
The quiescent current of this IC is typically 30 mA. | Its Quiescent current is 5mAmps. |
This IC is available with fixed 3.3 V & 5.0V o/p voltages. | Its output voltage ranges from 4.8V to 5.2V. |
It is available in TO-220-3L and SOT-223-3L packages. | This IC is available in TO-220. Package. |
This IC is slightly more expensive. | It is not expensive. |
The LM2940 IC operating temperature ranges from -40 to +125 °C. Therefore, the junction temperature is +150 °C, and the storage temperature ranges from -65 ~ to +150 °C. | Its operating temperature ranges from 0°C to 125°C. Therefore, the junction temperature is 150°C and storage temperature ranges from -65°C to 150°C |
This IC is used in automotive electronics, battery-powered equipment & high-efficiency-based linear power supplies. | This IC is used for powering electronic circuits and components. |
Advantages & Disadvantages
The advantages of LM2940 IC include the following.
- LM2940 ICs are small components.
- These are lightweight and not expensive.
- These are accurate with a 1% guaranteed tolerance.
- It has a fast transient response.
- In addition, it has protection from the reverse battery, overcurrent, and over temperature.
- Its drop-out voltage is low.
- This IC has a low GND current.
- The LM2940 voltage regulator IC can source 1 Amps of o/p current.
The disadvantages of LM2940 IC include the following.
- The output voltage of this IC falls under a level wherever latch-up occurs.
- This IC will provide all sorts of troubles if you don’t have connected both I/O caps which are pretty near to the regulator pins.
- This IC does not regulate higher-frequency fluctuations within voltage.
- These ICs are not efficient as compared to 7805 if both regulators have a similar input voltage.
- Moreover, these can produce heat because of the step-down voltage and current supply within the IC.
- When there is a huge variation between the I/O voltages, then they have large losses and poor efficiency.
- These can perform only step-down operations.
Applications
The applications of LM2940 IC include the following.
- The LM2940 IC is suitable for battery-powered equipment.
- It is used in vehicular applications to protect from reverse battery installations.
- These are suitable for high-efficiency based green computer systems.
- These are used in high-efficiency-based linear power supplies.
- It is suitable for switching supplies as a high-efficiency post-regulator.
- This IC is used in lower current and low dropout-critical systems wherever their small dropout voltage & ground current values are significant attributes.
- In addition, these ICs are used in phone chargers, remote control cars, power distribution circuits, logic power supplies, industrial instrumentation, regulated dual supply, post regulators for switching supplies, current limiters for certain applications, etc.
Please refer to this link for the LM2940 IC Datasheet.
Thus, this is an overview of LM2940 IC, pinout, features, specifications, circuit, working, advantages, disadvantages, and applications. In addition, this positive-voltage regulator can source 1Amps of output current with 0.385 V and a maximum of 800 mV typical dropout voltage above the whole temperature range. Here is a question for you, what is LM2941 IC?